best tracker

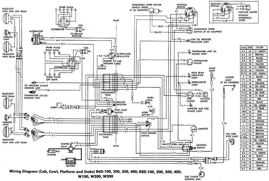
Dodge Ram Radio Wiring Harness Diagram

2005 Dodge Magnum Radio Wiring Diagram As Well As 2004 Dodge Ram

380b39 05 Ram Radio Wiring Harness Diagram Wiring Resources

Dodge Ram 50 Pickup Questions I Need The Electric Wiring Diagram

2012 Dodge Ram 5500 Wiring Schematics Daily Update Wiring Diagram

668 Metra Wiring Harness Diagram Dodge Wiring Resources

New 2003 Dodge Ram 1500 Radio Wiring Diagram Diagram

Dodge Ram Trailer Wiring Harness Diagram Wiring Diagrams

E3995 Radio Wiring Harness Ram 1500 Digital Resources

Fa788 2000 Ml430 Fuse Diagram Digital Resources

Diagram 2004 Dodge Dakota Radio Wiring Diagram Full Version Hd

E3995 Radio Wiring Harness Ram 1500 Digital Resources

7fb4d4b Subaru Radio Wiring Harness Diagram Wiring Resources

76 Blazer Wiring Diagram Daily Update Wiring Diagram

97 Dodge Ram Radio Wiring Wiring

Dodge Wiring Harness Diagram Wiring Diagram T4

Subscribe to receive free email updates:

0 Response to "Dodge Ram Radio Wiring Harness Diagram"

Posting Komentar